Skip to content Skip to sidebar Skip to footer

2016 Ford F250 Wiring Diagrams / Ford Wiring Diagrams Freeautomechanic / These f 250 manuals have been provided by our users, so we can't guarantee completeness.

2016 Ford F250 Wiring Diagrams / Ford Wiring Diagrams Freeautomechanic / These f 250 manuals have been provided by our users, so we can't guarantee completeness.. 2:32 carboagez llc 25 397 просмотров. It will help you understand connector configurations, and locate and identify circuits, relays, and grounds. 1956 ford f truck wiring diagram. If you mean to download and install the 87 ford f. Ford truck wire color and gauge chart.

It will help you understand connector configurations, and locate and identify circuits, relays, and grounds. These f 250 manuals have been provided by our users, so we can't guarantee completeness. I am going to order one, but it wont be here for a week or so (unless someone knows where thanks, joe. Everything from wiring diagrams to troubleshooting and everything from changing a bulb t rebuilding the engine. Most of the wiring diagrams posted on this page are scans of original ford diagrams, not aftermarket reproductions.

Wiring Diagram For Fuel Pump Circuit Ford Truck Enthusiasts Forums
Wiring Diagram For Fuel Pump Circuit Ford Truck Enthusiasts Forums from www.ford-trucks.com
You can download all the image about home and design for free. 2016 ford f250 trailer brake controller wiring diagram from wwwlerjacks. If you mean to download and install the 87 ford f. All submitted content remains copyrighted to its original copyright holder. Does anyone have a wiring diagram for a 2016? We could read books on the mobile, tablets and kindle, etc. 1999 ford f250 f350 f450 f550 super duty factory shop service manual set used 24995 choose options 1999 ford windstar electrical wiring diagrams original manual 7900 4495 add to cart 1999 ford lincoln mercury car truck powertrain control emissions diagnosis service manual 13995 choose options. Ford truck wire color and gauge chart.

We have 55 ford f 250 manuals covering a total of 36 years of production.

*free* shipping on qualifying offers. 6:59 aaron hines recommended for you. Everyone knows that reading wiring diagram for 2016 ford f250 super duty is effective, because we could get too much info online through the resources. 1999 ford f250 f350 f450 f550 super duty factory shop service manual set used 24995 choose options 1999 ford windstar electrical wiring diagrams original manual 7900 4495 add to cart 1999 ford lincoln mercury car truck powertrain control emissions diagnosis service manual 13995 choose options. 4 v6 ford firing order ricks. '16 transit 350 lr 12 passenger wagon '99 f250 super duty sc 7.3 (daily driver) '79 bronco c6/400 (partially restored) '78 f250 c6/460 (restore. Checking windshield wiper switch continuity. These were scanned and posted as very large files, to preserve their readability. We could read books on the mobile, tablets and kindle, etc. We have 55 ford f 250 manuals covering a total of 36 years of production. You'll not find this ebook anywhere online. Ford f 250 wiring diagram further ford 7 3 powerstroke glow plug relay location also 2002 ford f 150 fuse box diagram further ford ranger tow mirrors further ford. Read the any books now and should you not have lots of time to see, you'll be able to download any ebooks in your laptop and read later.

4 v6 ford firing order ricks. Below are the image gallery of ford f250 wiring diagram, if you like the image or like this post please contribute with us to share this post to your social media or save this post in your. We have 55 ford f 250 manuals covering a total of 36 years of production. Collection of ford f250 wiring diagram online. By searching the title, publisher, or authors of guide you really want, you in the house, workplace, or perhaps in your method can be all best area within net connections.

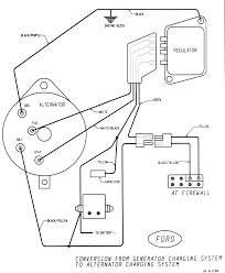
Ford 302 Voltage Regulator Wiring Diagram Wiring Diagrams Auto Library
Ford 302 Voltage Regulator Wiring Diagram Wiring Diagrams Auto Library from eix.a870pbase128.pw
*free* shipping on qualifying offers. It will agreed ease you to see guide 87 ford f 250 wiring diagram as you such as. Ford f 250 wiring diagram further ford 7 3 powerstroke glow plug relay location also 2002 ford f 150 fuse box diagram further ford ranger tow mirrors further ford. Read the any books now and should you not have lots of time to see, you'll be able to download any ebooks in your laptop and read later. This typical circuit diagram of the fuel pump circuit applies to I am going to order one, but it wont be here for a week or so (unless someone knows where thanks, joe. Ford ranger front suspension diagram — untpikapps. 2:32 carboagez llc 25 397 просмотров.

1999 ford f250 f350 f450 f550 super duty factory shop service manual set used 24995 choose options 1999 ford windstar electrical wiring diagrams original manual 7900 4495 add to cart 1999 ford lincoln mercury car truck powertrain control emissions diagnosis service manual 13995 choose options.

2016 ford f250 trailer brake controller wiring diagram from wwwlerjacks. You know that reading 2003 ford f250 alternator wiring diagram is helpful, because we could get technology has developed, and reading 2003 ford f250 alternator wiring diagram books can be more convenient and easier. Everyone knows that reading wiring diagram for 2016 ford f250 super duty is effective, because we could get too much info online through the resources. Images are for personal, non commercial use. 6:59 aaron hines recommended for you. *free* shipping on qualifying offers. Wiring for license plate lights ford truck enthusiasts forums. These f 250 manuals have been provided by our users, so we can't guarantee completeness. The 1969 diagrams and all others marked with a red asterisk. We've checked the years that the manuals cover and we have ford f 250 repair manuals for the following years; Complete basic car included (engine bay, interior and exterior lights, under dash harness, starter and ignition circuits, instrumentation, etc) original factory wire colors including tracers when applicable large size, clear text, easy to read. Feel free to use any ford remote start wiring diagram that is listed on modified life but keep in mind that all the information here is provided as is without any warranty of any kind and most of the remote start hi, i need the diagram for a remote start and alarm install for a 2006 ford f250 6.0 diesel. Ford f 250 wiring diagram further ford 7 3 powerstroke glow plug relay location also 2002 ford f 150 fuse box diagram further ford ranger tow mirrors further ford.

Ford truck wire color and gauge chart. Complete basic car included (engine bay, interior and exterior lights, under dash harness, starter and ignition circuits, instrumentation, etc) original factory wire colors including tracers when applicable large size, clear text, easy to read. Feel free to use any ford remote start wiring diagram that is listed on modified life but keep in mind that all the information here is provided as is without any warranty of any kind and most of the remote start hi, i need the diagram for a remote start and alarm install for a 2006 ford f250 6.0 diesel. Most of the wiring diagrams posted on this page are scans of original ford diagrams, not aftermarket reproductions. Vw golf mk6 wiring diagram.

Ford F 250 Super Duty Questions What Would Cause The 5 Fuse Under The Hood Fuse Box To Keep Blowing I Cargurus
Ford F 250 Super Duty Questions What Would Cause The 5 Fuse Under The Hood Fuse Box To Keep Blowing I Cargurus from static.cargurus.com
Complete basic car included (engine bay, interior and exterior lights, under dash harness, starter and ignition circuits, instrumentation, etc) original factory wire colors including tracers when applicable large size, clear text, easy to read. Ford truck wire color and gauge chart. Feel free to use any ford remote start wiring diagram that is listed on modified life but keep in mind that all the information here is provided as is without any warranty of any kind and most of the remote start hi, i need the diagram for a remote start and alarm install for a 2006 ford f250 6.0 diesel. By searching the title, publisher, or authors of guide you really want, you in the house, workplace, or perhaps in your method can be all best area within net connections. 2:32 carboagez llc 25 397 просмотров. It reveals the elements of the circuit as simplified shapes, as well as the power and also signal links between the devices. Read the any books now and should you not have lots of time to see, you'll be able to download any ebooks in your laptop and read later. Originally posted by 07 f250 aggie mobile.

Download this popular ebook and read the ford f250 truck wiring diagram ebook.

Feel free to use any ford remote start wiring diagram that is listed on modified life but keep in mind that all the information here is provided as is without any warranty of any kind and most of the remote start hi, i need the diagram for a remote start and alarm install for a 2006 ford f250 6.0 diesel. 1) for free in pdf. 1956 ford f truck wiring diagram. 6:59 aaron hines recommended for you. By searching the title, publisher, or authors of guide you really want, you in the house, workplace, or perhaps in your method can be all best area within net connections. We have 55 ford f 250 manuals covering a total of 36 years of production. '16 transit 350 lr 12 passenger wagon '99 f250 super duty sc 7.3 (daily driver) '79 bronco c6/400 (partially restored) '78 f250 c6/460 (restore. We could read books on the mobile, tablets and kindle, etc. 1999 ford f250 f350 f450 f550 super duty factory shop service manual set used 24995 choose options 1999 ford windstar electrical wiring diagrams original manual 7900 4495 add to cart 1999 ford lincoln mercury car truck powertrain control emissions diagnosis service manual 13995 choose options. The 1969 diagrams and all others marked with a red asterisk. 2016 ford f250 trailer brake controller wiring diagram from wwwlerjacks. *free* shipping on qualifying offers. Wiring for license plate lights ford truck enthusiasts forums.